1. ВНИМАНИЕ! В течении пары дней +- будет переезд форума на более защищённый сервер. Возможны периодические перебои в работе.

Предельные отклонения монолитных фундаментов. Что нам тракту

Тема в разделе "Строительство и исполнительные съемки", создана пользователем Serg1k, 22 дек 2009.

  1. Подняли опять вопрос по допускам на ж/б фундаменты. Делается съемка по факту, задача показать по каким ростверкам есть недопустимые отклонения (ростверки с анкерами).

    Из СП70.13330.2012 табл. 5.12 имеем допуски:
    П. 1. Отклонение линий плоскостей пересечения от вертикали или проектного наклона на всю
    высоту конструкций для: фундаментов = 20 мм. (По сути наклон фундамента)
    П4. Отклонение горизонтальных плоскостей на весь выверяемый участок: = 20 мм (Контроль отметок верха фундамента).
    П.5 Отклонение длин или пролетов элементов, размеров в свету: = +-20 мм
    П. 6. Размер поперечного сечения элемента h при
    h≤200мм =+6;-3
    h=400мм = +11;-9
    h≥2000мм = +25;-20
    Промежуточные интерполяцией.

    По факту на п.1 почти всегда забиваем ввиду малой высоты фундаментов, п.4. смотрим по модулю в пределах 20 мм и чтобы в общем не больше + или - 20 мм от проекта.
    Вопрос начинается с п.5 и п 6. Если нужно контролировать размеры ростверка и его плановое положение, то как применять эти пункты?
    По сути п.6 идет для контроля размеров ростверка, хоть и написано только про поперечное сечение, но используем для контроля размеров вдоль и поперек, исходя из габаритов ростверков. А п.5 - на контроль планового положения, если -+ 20 мм на расстояние между ростверками допуск (размер в свету), то берем средний 10 мм (или расстояние по схеме контролим).

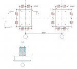
    Кто как контролирует фундаменты? Например, но схеме где допустимые отклонения, где нет.
    Выше в сообщениях посмотрел, но какая-то каша получается.
     

    Вложения:

    Schreibikus нравится это.
  1. Этот сайт использует файлы cookie. Продолжая пользоваться данным сайтом, Вы соглашаетесь на использование нами Ваших файлов cookie.
    Скрыть объявление
  1. Этот сайт использует файлы cookie. Продолжая пользоваться данным сайтом, Вы соглашаетесь на использование нами Ваших файлов cookie.
    Скрыть объявление